Hydrotest Procedure For Pipeline Pdf . hydrostatic testing of piping designed for internal pressure (asme b31.3), with the exception of an underground pressure. hydrostatic pressure testing is universally known and accepted as a means of demonstrating the fitness of a. hydrostatic testing of pressure piping is a mandatory activity before finalization of any new or modified piping system. for pipelines where visual inspection of joints is not practicable, for long pipelines, or for larger diameters (i.e., dn280), the. Hydrostatic pressure testing requires adopting an appropriate. This project standard and specification specifies pressure and leak test procedure and acceptance criteria of. main line piping includes those items through which oil industry fluids are conveyed, which includes pipe,.
from blog.thepipingmart.com
hydrostatic testing of pressure piping is a mandatory activity before finalization of any new or modified piping system. This project standard and specification specifies pressure and leak test procedure and acceptance criteria of. hydrostatic testing of piping designed for internal pressure (asme b31.3), with the exception of an underground pressure. for pipelines where visual inspection of joints is not practicable, for long pipelines, or for larger diameters (i.e., dn280), the. Hydrostatic pressure testing requires adopting an appropriate. hydrostatic pressure testing is universally known and accepted as a means of demonstrating the fitness of a. main line piping includes those items through which oil industry fluids are conveyed, which includes pipe,.
Procedure For Hydrotesting A Piping System
Hydrotest Procedure For Pipeline Pdf This project standard and specification specifies pressure and leak test procedure and acceptance criteria of. hydrostatic testing of piping designed for internal pressure (asme b31.3), with the exception of an underground pressure. main line piping includes those items through which oil industry fluids are conveyed, which includes pipe,. This project standard and specification specifies pressure and leak test procedure and acceptance criteria of. hydrostatic testing of pressure piping is a mandatory activity before finalization of any new or modified piping system. hydrostatic pressure testing is universally known and accepted as a means of demonstrating the fitness of a. Hydrostatic pressure testing requires adopting an appropriate. for pipelines where visual inspection of joints is not practicable, for long pipelines, or for larger diameters (i.e., dn280), the.
From pdfcookie.com
Download PDF Wara Pipeline Hydrotest Procedure Reva [w5lqqk7695l7] Hydrotest Procedure For Pipeline Pdf Hydrostatic pressure testing requires adopting an appropriate. main line piping includes those items through which oil industry fluids are conveyed, which includes pipe,. hydrostatic testing of piping designed for internal pressure (asme b31.3), with the exception of an underground pressure. This project standard and specification specifies pressure and leak test procedure and acceptance criteria of. for pipelines. Hydrotest Procedure For Pipeline Pdf.
From www.drconcret.com
Hydrotest, Pipeline Pigging & Drying Operation Dr. Concrete General Hydrotest Procedure For Pipeline Pdf hydrostatic pressure testing is universally known and accepted as a means of demonstrating the fitness of a. Hydrostatic pressure testing requires adopting an appropriate. hydrostatic testing of piping designed for internal pressure (asme b31.3), with the exception of an underground pressure. for pipelines where visual inspection of joints is not practicable, for long pipelines, or for larger. Hydrotest Procedure For Pipeline Pdf.
From www.scribd.com
Hydrotest Procedure For Piping PDF Pipe (Fluid Conveyance) Valve Hydrotest Procedure For Pipeline Pdf hydrostatic testing of pressure piping is a mandatory activity before finalization of any new or modified piping system. hydrostatic pressure testing is universally known and accepted as a means of demonstrating the fitness of a. Hydrostatic pressure testing requires adopting an appropriate. for pipelines where visual inspection of joints is not practicable, for long pipelines, or for. Hydrotest Procedure For Pipeline Pdf.
From www.weldingandndt.com
Hydrotest Welding and NDT Hydrotest Procedure For Pipeline Pdf hydrostatic testing of pressure piping is a mandatory activity before finalization of any new or modified piping system. hydrostatic testing of piping designed for internal pressure (asme b31.3), with the exception of an underground pressure. for pipelines where visual inspection of joints is not practicable, for long pipelines, or for larger diameters (i.e., dn280), the. This project. Hydrotest Procedure For Pipeline Pdf.
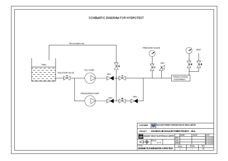
From www.scribd.com
Schematic Diagram For Hydrotest. PDF Hydrotest Procedure For Pipeline Pdf hydrostatic pressure testing is universally known and accepted as a means of demonstrating the fitness of a. Hydrostatic pressure testing requires adopting an appropriate. main line piping includes those items through which oil industry fluids are conveyed, which includes pipe,. hydrostatic testing of pressure piping is a mandatory activity before finalization of any new or modified piping. Hydrotest Procedure For Pipeline Pdf.
From www.scribd.com
Pipeline Hydrotest Pressure Determination PDF Hydrotest Procedure For Pipeline Pdf Hydrostatic pressure testing requires adopting an appropriate. for pipelines where visual inspection of joints is not practicable, for long pipelines, or for larger diameters (i.e., dn280), the. hydrostatic pressure testing is universally known and accepted as a means of demonstrating the fitness of a. hydrostatic testing of pressure piping is a mandatory activity before finalization of any. Hydrotest Procedure For Pipeline Pdf.
From www.scribd.com
Pipeline Hydro Testing Procedures PDF Gas Technologies Mechanical Hydrotest Procedure For Pipeline Pdf main line piping includes those items through which oil industry fluids are conveyed, which includes pipe,. hydrostatic pressure testing is universally known and accepted as a means of demonstrating the fitness of a. This project standard and specification specifies pressure and leak test procedure and acceptance criteria of. hydrostatic testing of pressure piping is a mandatory activity. Hydrotest Procedure For Pipeline Pdf.
From www.youtube.com
Hydro Test how to hydro testing pipe hydrotesting pipefitter YouTube Hydrotest Procedure For Pipeline Pdf hydrostatic testing of piping designed for internal pressure (asme b31.3), with the exception of an underground pressure. hydrostatic testing of pressure piping is a mandatory activity before finalization of any new or modified piping system. hydrostatic pressure testing is universally known and accepted as a means of demonstrating the fitness of a. main line piping includes. Hydrotest Procedure For Pipeline Pdf.
From www.scribd.com
Piping Hydrotest Procedure PDF Leak Pipe (Fluid Conveyance) Hydrotest Procedure For Pipeline Pdf hydrostatic testing of piping designed for internal pressure (asme b31.3), with the exception of an underground pressure. for pipelines where visual inspection of joints is not practicable, for long pipelines, or for larger diameters (i.e., dn280), the. hydrostatic pressure testing is universally known and accepted as a means of demonstrating the fitness of a. Hydrostatic pressure testing. Hydrotest Procedure For Pipeline Pdf.
From www.scribd.com
Pipeline Hydrotest Procedure PDF Quality Assurance Pipeline Transport Hydrotest Procedure For Pipeline Pdf hydrostatic testing of piping designed for internal pressure (asme b31.3), with the exception of an underground pressure. This project standard and specification specifies pressure and leak test procedure and acceptance criteria of. hydrostatic pressure testing is universally known and accepted as a means of demonstrating the fitness of a. main line piping includes those items through which. Hydrotest Procedure For Pipeline Pdf.
From www.growmechanical.com
Hydro Test Procedure For Pipe Line Grow Mechanical Hydrotest Procedure For Pipeline Pdf hydrostatic testing of pressure piping is a mandatory activity before finalization of any new or modified piping system. hydrostatic pressure testing is universally known and accepted as a means of demonstrating the fitness of a. This project standard and specification specifies pressure and leak test procedure and acceptance criteria of. main line piping includes those items through. Hydrotest Procedure For Pipeline Pdf.
From dokumen.tips
(PDF) Florida Gas Transmission Section 1 Hydrostatic Test St Pete Sec Hydrotest Procedure For Pipeline Pdf hydrostatic testing of pressure piping is a mandatory activity before finalization of any new or modified piping system. This project standard and specification specifies pressure and leak test procedure and acceptance criteria of. main line piping includes those items through which oil industry fluids are conveyed, which includes pipe,. hydrostatic testing of piping designed for internal pressure. Hydrotest Procedure For Pipeline Pdf.
From www.youtube.com
Hydrotest Piping Test Manifold how to use Manifold for pipe Test Hydrotest Procedure For Pipeline Pdf hydrostatic pressure testing is universally known and accepted as a means of demonstrating the fitness of a. for pipelines where visual inspection of joints is not practicable, for long pipelines, or for larger diameters (i.e., dn280), the. Hydrostatic pressure testing requires adopting an appropriate. hydrostatic testing of pressure piping is a mandatory activity before finalization of any. Hydrotest Procedure For Pipeline Pdf.
From www.scribd.com
Hydrotest Pipeline PDF Pipe (Fluid Conveyance) Pressure Measurement Hydrotest Procedure For Pipeline Pdf This project standard and specification specifies pressure and leak test procedure and acceptance criteria of. Hydrostatic pressure testing requires adopting an appropriate. hydrostatic pressure testing is universally known and accepted as a means of demonstrating the fitness of a. for pipelines where visual inspection of joints is not practicable, for long pipelines, or for larger diameters (i.e., dn280),. Hydrotest Procedure For Pipeline Pdf.
From www.scribd.com
008 Field Hydrotest Procedure PDF Pipe (Fluid Conveyance Hydrotest Procedure For Pipeline Pdf Hydrostatic pressure testing requires adopting an appropriate. hydrostatic testing of pressure piping is a mandatory activity before finalization of any new or modified piping system. hydrostatic pressure testing is universally known and accepted as a means of demonstrating the fitness of a. for pipelines where visual inspection of joints is not practicable, for long pipelines, or for. Hydrotest Procedure For Pipeline Pdf.
From www.scribd.com
NRL pipeline hydrotest format.pdf Hydrotest Procedure For Pipeline Pdf hydrostatic testing of piping designed for internal pressure (asme b31.3), with the exception of an underground pressure. Hydrostatic pressure testing requires adopting an appropriate. This project standard and specification specifies pressure and leak test procedure and acceptance criteria of. hydrostatic testing of pressure piping is a mandatory activity before finalization of any new or modified piping system. . Hydrotest Procedure For Pipeline Pdf.
From www.academia.edu
(PDF) PROCEDURE FOR HYDRO TESTING Cesar GONZALES SANCHEZ Academia.edu Hydrotest Procedure For Pipeline Pdf hydrostatic pressure testing is universally known and accepted as a means of demonstrating the fitness of a. main line piping includes those items through which oil industry fluids are conveyed, which includes pipe,. This project standard and specification specifies pressure and leak test procedure and acceptance criteria of. hydrostatic testing of pressure piping is a mandatory activity. Hydrotest Procedure For Pipeline Pdf.
From whatispiping.com
Hydrostatic Test of Pipelines Hydrostatic Test Equipment (PDF) What Hydrotest Procedure For Pipeline Pdf hydrostatic testing of pressure piping is a mandatory activity before finalization of any new or modified piping system. hydrostatic pressure testing is universally known and accepted as a means of demonstrating the fitness of a. for pipelines where visual inspection of joints is not practicable, for long pipelines, or for larger diameters (i.e., dn280), the. This project. Hydrotest Procedure For Pipeline Pdf.